Product Summary
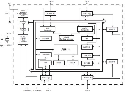
The ATMEGA164PA-AU is a low-power CMOS 8-bit microcontroller based on the AVR enhanced RISC architecture. By executing powerful instructions in a single clock cycle, the ATMEGA164PA-AU achieves throughputs approaching 1 MIPS per MHz allowing the system designer to optimize power consumption versus processing speed.
Parametrics
ATMEGA164PA-AU absolute maximum ratings: (1)Operating Temperature: -55℃ to +125℃; (2)Storage Temperature: -65℃ to +150℃; (3)Voltage on any Pin except RESET with respect to Ground: -0.5V to VCC+0.5V; (4)Voltage on RESET with respect to Ground: -0.5V to +13.0V; (5)Maximum Operating Voltage: 6.0V; (6)DC Current per I/O Pin: 40.0 mA; (7)DC Current VCC and GND Pins: 200.0-400.0 mA.
Features
ATMEGA164PA-AU features: (1)High-performance, Low-power AVR?8-bit Microcontroller; (2)Advanced RISC Architecture; (3)High Endurance Non-volatile Memory segments; (4)JTAG (IEEE std. 1149.1 Compliant) Interface; (5)Boundary-scan Capabilities According to the JTAG Standard; (6)Extensive On-chip Debug Support; (7)Programming of Flash, EEPROM, Fuses, and Lock Bits through the JTAG Interface; (8)Two 8-bit Timer/Counters with Separate Prescalers and Compare Modes; (9)One 16-bit Timer/Counter with Separate Prescaler, Compare Mode, and Capture Mode; (10)Real Time Counter with Separate Oscillator; (11)Six PWM Channels; (12)8-channel, 10-bit ADC Differential mode with selectable gain at 1x, 10x or 200x; (13)Byte-oriented Two-wire Serial Interface; (14)Two Programmable Serial USART; (15)Master/Slave SPI Serial Interface; (16)Programmable Watchdog Timer with Separate On-chip Oscillator; (17)On-chip Analog Comparator; (18)Interrupt and Wake-up on Pin Change; (19)Power-on Reset and Programmable Brown-out Detection; (20)Internal Calibrated RC Oscillator; (21)External and Internal Interrupt Sources; (22)Six Sleep Modes: Idle, ADC Noise Reduction, Power-save, Power-down, Standby and Extended Standby; (23)I/O and Packages, 32 Programmable I/O Lines; 40-pin PDIP, 44-lead TQFP, 44-pad VQFN/QFN/MLF; 44-pad DRQFN; 49-ball VFBGA; (24)Operating Voltages, 1.8 - 5.5V; (25)Speed Grades, 0 - 4 MHz @ 1.8 - 5.5V; 0 - 10 MHz @ 2.7 - 5.5V; 0 - 20 MHz @ 4.5 - 5.5V; (26)Power Consumption at 1 MHz, 1.8V, 25℃, Active: 0.4 mA; Power-down Mode: 0.1μA; Power-save Mode: 0.6μA (Including 32 kHz RTC).
Diagrams

| Image | Part No | Mfg | Description | ![]() |
Pricing (USD) |
Quantity | ||||||
|---|---|---|---|---|---|---|---|---|---|---|---|---|
![]() |
![]() ATMEGA164PA-AU |
![]() Atmel |
![]() 8-bit Microcontrollers (MCU) AVR 16KB 512B EE 20MHz 1KB SRAM 125c |
![]() Data Sheet |
![]()
|
|
||||||
![]() |
![]() ATMEGA164PA-AUR |
![]() Atmel |
![]() 8-bit Microcontrollers (MCU) AVR,16KB FLASH,20MHZ IND TEMP,8V |
![]() Data Sheet |
![]()
|
|
||||||
(China (Mainland))









