Product Summary
The ATMEGA8L-8AU is a low-power CMOS 8-bit microcontroller based on the AVR RISC architecture. By executing powerful instructions in a single clock cycle, the device achieves throughputs approaching 1 MIPS per MHz, allowing the system designer to optimize power consumption versus processing speed.
Parametrics
ATMEGA8L-8AU absolute maximum ratings: (1)Operating Temperature: -55℃ to +125℃ ; (2)Storage Temperature: -65℃ to +150℃; (3)Voltage on any Pin except RESET with respect to Ground: -0.5V to VCC +0.5V; (4)Voltage on RESET with respect to Ground: -0.5V to +13.0V; (5)Maximum Operating Voltage: 6.0V; (6)DC Current per I/O Pin: 40.0 mA; (7)DC Current VCC and GND Pins: 300.0 mA.
Features
ATMEGA8L-8AU features: (1)High-performance, Low-power AVR 8-bit Microcontroller; (2)I/O and Packages: 23 Programmable I/O Lines; 28-lead PDIP, 32-lead TQFP, and 32-pad QFN/MLF; (3)Operating Voltages: 2.7 - 5.5V; (4)Speed Grades: 0 - 8 MHz ; (5)Power Consumption at 4 Mhz, 3V, 25℃: Active: 3.6 mA; Idle Mode: 1.0 mA; Power-down Mode: 0.5μA.
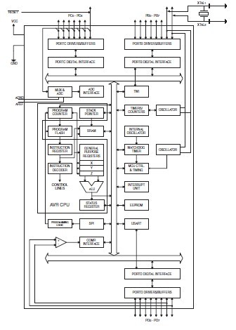
Diagrams

| Image | Part No | Mfg | Description | ![]() |
Pricing (USD) |
Quantity | ||||||||||||
|---|---|---|---|---|---|---|---|---|---|---|---|---|---|---|---|---|---|---|
![]() |
![]() ATmega8L-8AU |
![]() Atmel |
![]() 8-bit Microcontrollers (MCU) 8kB Flash 0.5kB EEPROM 23 I/O Pins |
![]() Data Sheet |
![]()
|
|
||||||||||||
![]() |
![]() ATMEGA8L-8AUR |
![]() Atmel |
![]() 8-bit Microcontrollers (MCU) AVR 8KB FLSH 512B EE 1KB SRAM-8MHz |
![]() Data Sheet |
![]()
|
|
||||||||||||
(China (Mainland))










