Product Summary
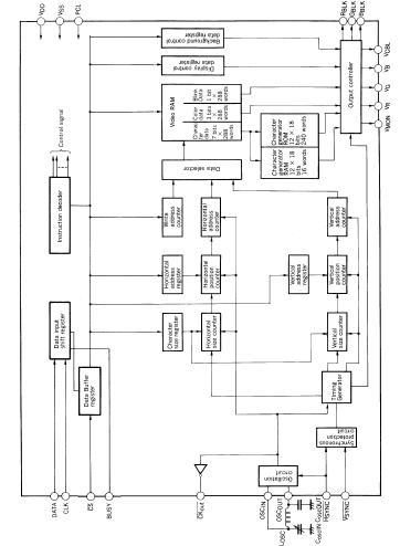
The UPD6453GT-102 is a CMOS LSI device for on-sreen character displays designed to display characters such as the time of day, channel numbers, and chapter numbers on a TV screen when used in a TV or video disk in combination with a microcomputer. By using the UPD6453GT-102 in a video camera or VCR, the time of day and date can also be recorded over video signals. Each character is in a 12×18 dot pattern and by combining two or more characters, Chinese characters or graphics may be displayed. By using a character RAM for 16 characters, a character or graphic pattern can be changed while it is being displayed.
Parametrics
UPD6453GT-102 absolute maximum ratings: (1)Supply voltage, VDD-VSS: 7V; (2)Input voltage, VIN: VDD +0.3 > VIN > VSS -0.3 V; (3)Output voltage, VOUT: VDD +0.3 > VOUT > VSS -0.3 V; (4)Output current, IO: ±5mA; (5)Operating temperature, TOPR: -20 to +75℃; (6)Storage temperature, TSTG: -40 to +125℃.
Features
UPD6453GT-102 features: (1)NO. of display characters: 12 lines × 24 columns; (2)Types of characters: 256 types; (3)Character size: any one of 1H, 2H, 3H, and 4H per dot can be selected; (4)Character colors: any one of 8 different colors can be selectable for each character; (5)Background: onr of " NO background", " Square background" and " Soild background" is selectable per screen, together with fringe ON/OFF function. Any of eight different colors is selectable as the background color and together with the feinge color selectable per screen; (6)Dot matrix: 12×18 pattern without spacing between characters; (7)Smooth function, two different interpolations are available for selection per line with characters two to four times the normal size; (8)Blinking control; (9)Msk pulse(code option); (10)Adapatability to progressive scan TV; (11)Video RAM data clear; (12)Interface with microcomputer; (13)Power supply; (14)Construction.
Diagrams

![]() |
![]() UPD61051 |
![]() Other |
![]() |
![]() Data Sheet |
![]() Negotiable |
|
||||
![]() |
![]() UPD6121 |
![]() Other |
![]() |
![]() Data Sheet |
![]() Negotiable |
|
||||
![]() |
![]() UPD6124A |
![]() Other |
![]() |
![]() Data Sheet |
![]() Negotiable |
|
||||
![]() |
![]() UPD6125A |
![]() Other |
![]() |
![]() Data Sheet |
![]() Negotiable |
|
||||
![]() |
![]() UPD6132 |
![]() Other |
![]() |
![]() Data Sheet |
![]() Negotiable |
|
||||
![]() |
![]() UPD6133 |
![]() Other |
![]() |
![]() Data Sheet |
![]() Negotiable |
|
||||
(China (Mainland))








