Product Summary
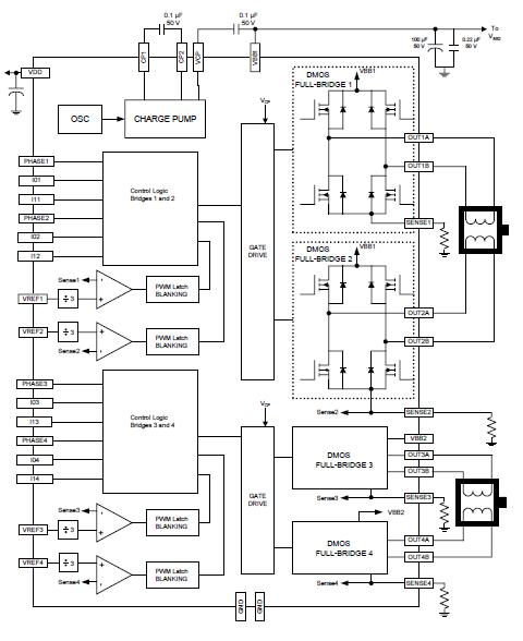
The A3988SJP-T is a quad DMOS full-bridge driver capable of driving up to two stepper motors or four dc motors. Each full-bridge output is rated up to 1.2 A and 36 V. The A3988SJP-T includes fixed off-time pulse width modulation (PWM) current regulators, along with 2-bit nonlinear DACs (digital-to-analog converters) that allow stepper motors to be controlled in full, half, and quarter steps, and dc motors in forward, reverse, and coast modes. The PWM current regulator uses the Allegro patented mixed decay mode for reduced audible motor noise, increased step accuracy, and reduced power dissipation.
Parametrics
A3988SJP-T absolute maximum ratings: (1)Load Supply Voltage, VBB: -0.5 to 36 V; Pulsed tw < 1μs, VBB: 38 V; (2)Logic Supply Voltage, VDD: -0.4 to 7 V; (3)Output Current, IOUT: 1.2 A; Pulsed, tw < 1 μs, IOUT: 2.8 A; (4)Logic Input Voltage Range, VIN: -0.3 to 7 V; (5)SENSEx Pin Voltage, VSENSEx: 0.5 V; Pulsed tw < 1 μs, VSENSEx: 2.5 V; (6)VREFx Pin Voltage, VREFx: 2.5 V; (7)Operating Temperature Range, TA: -20 to 85℃; (8)Junction Temperature, TJ(max): 150℃; (9)Storage Temperature Range, Tstg: -40 to 125℃.
Features
A3988SJP-T features: (1)36 V output rating; (2)4 full bridges; (3)Dual stepper motor driver; (4)High current outputs; (5)3.3 and 5 V compatible logic supply; (6)Synchronous rectification; (7)Internal undervoltage lockout (UVLO); (8)Thermal shutdown circuitry; (9)Crossover-current protection; (10)Low profile QFN package.
Diagrams

| Image | Part No | Mfg | Description | ![]() |
Pricing (USD) |
Quantity | ||||||||||||||||||||
|---|---|---|---|---|---|---|---|---|---|---|---|---|---|---|---|---|---|---|---|---|---|---|---|---|---|---|
![]() |
![]() A3988SJP-T |
![]() |
![]() IC MOTOR DVR PWM FULL BRG 48LQFP |
![]() Data Sheet |
![]() Negotiable |
|
||||||||||||||||||||
| Image | Part No | Mfg | Description | ![]() |
Pricing (USD) |
Quantity | ||||||||||||||||||||
![]() |
![]() A3980 |
![]() Other |
![]() |
![]() Data Sheet |
![]() Negotiable |
|
||||||||||||||||||||
![]() |
![]() A3980KLP |
![]() |
![]() IC DRIVER MICROSTEPPING 28-TSSOP |
![]() Data Sheet |
![]()
|
|
||||||||||||||||||||
![]() |
![]() A3980KLP-T |
![]() |
![]() IC MOTOR DRIVER MICROSTEP 28-TSS |
![]() Data Sheet |
![]()
|
|
||||||||||||||||||||
![]() |
![]() A3980KLPTR |
![]() |
![]() IC DRIVER MICROSTEPPING 28-TSSOP |
![]() Data Sheet |
![]() Negotiable |
|
||||||||||||||||||||
![]() |
![]() A3980KLPTR-T |
![]() |
![]() IC DRIVER MICROSTEPPING 28-TSSOP |
![]() Data Sheet |
![]()
|
|
||||||||||||||||||||
![]() |
![]() A3981KLPTR-T |
![]() |
![]() IC MOTOR DVR MICROSTEP 28-TSSOP |
![]() Data Sheet |
![]()
|
|
||||||||||||||||||||
(China (Mainland))











