Product Summary
The FT245R is an USB to parallel FIFO interface.
Parametrics
FT245RQ absolute maximum ratings: (1)Storage Temperature: -65℃ to 150℃; (2)Floor Life (Out of Bag) At Factory Ambient (30℃ / 60% Relative Humidity): 168 Hours; (3)Ambient Temperature (Power Applied): -40℃ to 85℃; (4)MTTF FT245RQ: 4464815 hours; (5)VCC Supply Voltage: -0.5 to +6.00V; (6)DC Input Voltage - USBDP and USBDM: -0.5 to +3.8V; (7)DC Input Voltage - High Impedance Bidirectionals: -0.5 to +(VCC +0.5)V; (8)DC Input Voltage - All Other Inputs: -0.5 to +(VCC +0.5)V; (9)DC Output Current - Outputs: 24mA.
Features
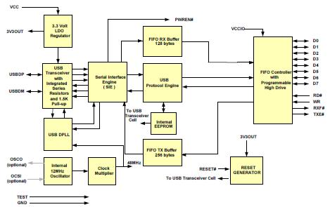
FT245RQ features: (1)Single chip USB to parallel FIFO bidirectional data transfer interface; (2)Entire USB protocol handled on the chip. No USB specific firmware programming required; (3)Fully integrated 1024 bit EEPROM storing device descriptors and FIFO I/O configuration; (4)Fully integrated USB termination resistors; (5)Fully integrated clock generation with no external crystal required; (6)Data transfer rates up to 1Mbyte / second; (7)128 byte receive buffer and 256 byte transmit buffer utilising buffer smoothing technology to allow for high data throughput; (8)FTDI’s royalty-free Virtual Com Port (VCP) and Direct (D2XX) drivers eliminate the requirement for USB driver development in most cases; (9)Unique USB FTDIChip-ID feature; (10)Configurable FIFO interface I/O pins. Synchronous and asynchronous bit bang interface options; (11)Device supplied pre-programmed with unique USB serial number; (12)Supports bus powered, self powered and high-power bus powered USB configurations; (13)Integrated +3.3V level converter for USB I/O. Integrated level converter on FIFO interface for interfacing to external logic running at between +1.8V and +5V; (14)True 5V/3.3V/2.8V/1.8V CMOS drive output and TTL input Configurable I/O pin output drive strength. Integrated power-on-reset circuit. Fully integrated AVCC supply filtering - no external filtering required; (15)+3.3V (using external oscillator) to +5.25V (using internal oscillator) Single Supply Operation; (16)Low operating and USB suspend current; (17)Low USB bandwidth consumption; (18)UHCI/OHCI/EHCI host controller compatible; (19)USB 2.0 Full Speed compatible; (20)-40℃ to 85℃ extended operating temperature range; (21)Available in compact Pb-free 28 Pin SSOP and QFN-32 packages (both RoHS compliant).
Diagrams

| Image | Part No | Mfg | Description | ![]() |
Pricing (USD) |
Quantity | ||||||||||||||
|---|---|---|---|---|---|---|---|---|---|---|---|---|---|---|---|---|---|---|---|---|
![]() |
![]() FT245RQ-REEL |
![]() FTDI |
![]() USB Interface IC USB to Parallel FIFO Enhanced IC QFN-32 |
![]() Data Sheet |
![]()
|
|
||||||||||||||
| Image | Part No | Mfg | Description | ![]() |
Pricing (USD) |
Quantity | ||||||||||||||
![]() |
![]() FT240XQ-R |
![]() FTDI |
![]() USB Interface IC USB to Parallel FIFO IC QFN-24 |
![]() Data Sheet |
![]()
|
|
||||||||||||||
![]() |
![]() FT240XQ-T |
![]() FTDI |
![]() USB Interface IC USB to Parallel FIFO IC QFN-24 |
![]() Data Sheet |
![]()
|
|
||||||||||||||
![]() |
![]() FT240XS-R |
![]() FTDI |
![]() USB Interface IC USB to Parallel FIFO IC SSOP-24 |
![]() Data Sheet |
![]()
|
|
||||||||||||||
![]() |
![]() FT240XS-U |
![]() FTDI |
![]() USB Interface IC USB to Parallel FIFO IC SSOP-24 |
![]() Data Sheet |
![]()
|
|
||||||||||||||
![]() |
![]() FT2431-0000-0002-L |
![]() |
![]() SENSOR TENSE LOAD CELL 2LBF |
![]() Data Sheet |
![]() Negotiable |
|
||||||||||||||
![]() |
![]() FT2431-0000-0005-L |
![]() |
![]() SENSOR TENSE LOAD CELL 5LBF |
![]() Data Sheet |
![]() Negotiable |
|
||||||||||||||
(China (Mainland))










