Product Summary
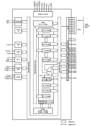
The HD404654A21S is a 4-Bit Single-Chip microcomputer designed to increase program productivity with large-capacity memory. Each microcomputer has a high-precision dual-tone multi-frequency (DTMF) generator, three timers, serial interface, voltage comparator, and input capture circuit. The HD404654A21S is a PROM version (ZTAT microcomputer). A program can be written to the PROM by a PROM writer, which can dramatically shorten system development periods and smooth the process from debugging to mass production. (The ZTAT version is 27256-compatible.)
Parametrics
HD404654A21S absolute maximum ratings: (1)Supply voltage, VCC: -0.3 to +7.0 V; (2)Programming voltage, VPP: -0.3 to +14.0 V; (3)Pin voltage, VT: -0.3 to VCC + 0.3 V; (4)Total permissible input current, ∑Io: 80 mA; (5)Total permissible output current, -∑Io: 50 mA; (6)Maximum input current, Io: 4 mA; 30 mA; (7)Maximum output current, -Io: 4 mA; 20 mA; (8)Operating temperature, Topr: -20 to +75℃; (9)Storage temperature, Tstg: -55 to +125℃.
Features
HD404654A21S features: (1)27 I/O pins and 5 dedicated input pins, 10 high-current output pins: Six 15-mA sinks and four 10-mA sources; (2)Three timer/counters; (3)Eight-bit input capture circuit; (4)Two timer outputs (including two PWM outputs); (5)One event counter input (including one double-edge function); (6)One clock-synchronous 8-bit serial interface; (7)Voltage comparator (2 channels); (8)On-chip DTMF generator (fOSC = 400 kHz, 800 kHz, 2 MHz, 3.58 MHz or 4 MHz); (9)Built-in oscillators, Main clock: Ceramic or crystal oscillator (an external clock is also possible); (10)Six interrupt sources, Two by external sources; Four by internal sources; (11)Subroutine stack up to 16 levels, including interrupts.
Diagrams

![]() |
![]() HD404019R |
![]() Other |
![]() |
![]() Data Sheet |
![]() Negotiable |
|
||||
![]() |
![]() HD404019RFS |
![]() Other |
![]() |
![]() Data Sheet |
![]() Negotiable |
|
||||
![]() |
![]() HD404019RH |
![]() Other |
![]() |
![]() Data Sheet |
![]() Negotiable |
|
||||
![]() |
![]() HD404019RS |
![]() Other |
![]() |
![]() Data Sheet |
![]() Negotiable |
|
||||
![]() |
![]() HD404054 |
![]() Other |
![]() |
![]() Data Sheet |
![]() Negotiable |
|
||||
![]() |
![]() HD404094 |
![]() Other |
![]() |
![]() Data Sheet |
![]() Negotiable |
|
||||
(China (Mainland))








