Product Summary
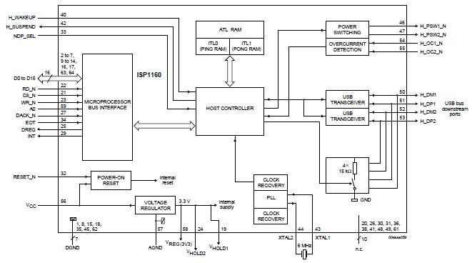
The ISP1160BD is an embedded Universal Serial Bus (USB) Host Controller (HC) that complies with Universal Serial Bus Specification Rev. 2.0, supporting data transfer at full-speed (12 Mbit/s) and low-speed (1.5 Mbit/s). The ISP1160BD provides two downstream ports. Each downstream port has an overcurrent (OC) detection input pin and power supply switching control output pin. The downstream ports for the HC can be connected with any USB compliant USB devices and USB hubs that have USB upstream ports. The applications of the ISP1160BD include Personal Digital Assistant (PDA), Digital camera, Third-generation (3-G) phone, Set-Top Box (STB), Information Appliance (IA), Photo printer, MP3 jukebox, Game console.
Parametrics
ISP1160BD absolute maximum ratings: (1)supply voltage to pin VCC, VCC(5V0): -0.5 to +6.0 V; (2)supply voltage to pin VREG(3V3), VCC(3V3): -0.5 to +4.6 V; (3)input voltage, VI: -0.5 to +6.0 V; (4)latch-up current VI < 0 or VI > VCC, Ilu: 100 mA; (5)electrostatic discharge voltage ILI < 1 mA, Vesd: -2000 to +2000 V; (6)storage temperature, Tstg: -60 to +150℃.
Features
ISP1160BD features: (1)Complies with Universal Serial Bus Specification Rev. 2.0; (2)Supports data transfer at full-speed (12 Mbit/s) and low-speed (1.5 Mbit/s); (3)Adapted from Open Host Controller Interface Specification for USB Release 1.0a; (4)Selectable one or two downstream ports for HC; (5)High-speed parallel interface to most of the generic microprocessors and Reduced Instruction Set Computer (RISC) processors; (6)Maximum 15 Mbyte/s data transfer rate between the microprocessor and the HC; (7)Supports single-cycle and burst mode DMA operations; (8)Built-in FIFO buffer RAM for the HC (4 kbytes); (9)Endpoints with double buffering to increase throughput and ease real-time data transfer for isochronous (ISO) transactions; (10)6 MHz crystal oscillator with integrated PLL for low EMI; (11)Built-in software selectable internal 15 kW pull-down resistors for HC downstream ports; (12)Dedicated pins for suspend sensing output and wake-up control input for flexible applications; (13)Operation at either +5 V or +3.3 V power supply voltage; (14)Operating temperature range from -40℃ to +85℃; (15)Available in two LQFP64 packages (SOT314-2 and SOT414-1).
Diagrams

| Image | Part No | Mfg | Description | ![]() |
Pricing (USD) |
Quantity | ||||
|---|---|---|---|---|---|---|---|---|---|---|
![]() |
![]() ISP1160BD/01,118 |
![]() NXP Semiconductors |
![]() USB Interface IC USB HOST CTRL |
![]() Data Sheet |
![]() Negotiable |
|
||||
![]() |
![]() ISP1160BD/01,151 |
![]() NXP Semiconductors |
![]() USB Interface IC USB FULL SPEED HOST |
![]() Data Sheet |
![]() Negotiable |
|
||||
![]() |
![]() ISP1160BD01-T |
![]() NXP Semiconductors |
![]() USB Interface IC USB HOST CTRL FULL-SPD |
![]() Data Sheet |
![]() Negotiable |
|
||||
![]() |
![]() ISP1160BD01-S |
![]() NXP Semiconductors |
![]() USB Interface IC USB FULL SPEED HOST |
![]() Data Sheet |
![]() Negotiable |
|
||||
![]() |
![]() ISP1160BD01 |
![]() |
![]() IC USB HOST CONTROLLER 64LQFP |
![]() Data Sheet |
![]() Negotiable |
|
||||
![]() |
![]() ISP1160BD01FA |
![]() |
![]() IC USB HOST CONTROLLER 64LQFP |
![]() Data Sheet |
![]() Negotiable |
|
||||
![]() |
![]() ISP1160BD01TM |
![]() |
![]() IC USB HOST CTRL FULL-SPD 64LQFP |
![]() Data Sheet |
![]() Negotiable |
|
||||
(China (Mainland))










