Product Summary
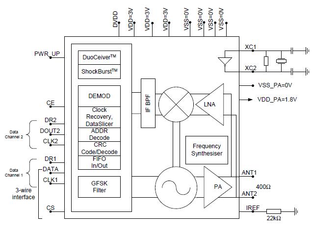
The NRF2401AG is a single-chip radio transceiver for the world wide 2.4 - 2.5 GHz ISM band. The transceiver consists of a fully integrated frequency synthesizer, a power amplifier, a crystal oscillator and a modulator. Output power and frequency channels are easily programmable by use of the 3-wire serial interface. Current consumption is very low, only 10.5mA at an output power of -5dBm and 18mA in receive mode. Built-in Power Down modes makes power saving easily realizable. The applications of the NRF2401AG include Wireless mouse, keyboard, joystick, Keyless entry, Wireless data communication, Alarm and security systems, Home automation, Surveillance, Automotive, Telemetry, Intelligent sports equipment, Industrial sensors, Toys.
Parametrics
NRF2401AG absolute maximum ratings: (1)Supply voltage, VDD: -0.3V to +3.6V; VSS: 0V; (2)Input voltage, VI: -0.3V to VDD +0.3V; (3)Output voltage, VO: -0.3V to VDD +0.3V; (4)Total power dissipation, PD(TA=85℃): 90mW; (5)Temperature Operating temperature: -40℃ to +85℃; (6)Storage temperature: -40℃ to +125℃.
Features
NRF2401AG features: (1)True single chip GFSK transceiver in a small 24-pin package (QFN24 5x5mm); (2)Data rate 0 to1Mbps ; (3)Only 2 external components ; (4)Multi channel operation, 125 channels; Channel switching time <200μs; Support frequency hopping; (5)Data slicer / clock recovery of data ; (6)Address and CRC computation ; (7)DuoCeiver for simultaneous dual receiver topology; (8)ShockBurst mode for ultra-low power operation and relaxed MCU performance; (9)Power supply range: 1.9 to 3.6 V; (10)Low supply current (TX), typical 10.5mA peak @ -5dBm output power; (11)Low supply current (RX), typical 18mA peak in receive mode; (12)100 % RF tested; (13)No need for external SAW filter; (14)World wide use.
Diagrams

| Image | Part No | Mfg | Description | ![]() |
Pricing (USD) |
Quantity | ||||||||||
|---|---|---|---|---|---|---|---|---|---|---|---|---|---|---|---|---|
![]() |
![]() nRF2401AG |
![]() Nordic Semiconductor |
![]() RF Transceiver 1.9-3.6V 1MBIT XCVR 2.4GHz SHCKBRST |
![]() Data Sheet |
![]()
|
|
||||||||||
![]() |
![]() nRF2401AG-REEL |
![]() Nordic Semiconductor |
![]() RF Transceiver 1.9-3.6V 1MBIT XCVR 2.4GHz SHCKBRST |
![]() Data Sheet |
![]()
|
|
||||||||||
![]() |
![]() nRF2401AG-REEL7 |
![]() Nordic Semiconductor |
![]() RF Transceiver 1.9-3.6V 1MBIT XCVR 2.4GHz SHCKBRST |
![]() Data Sheet |
![]()
|
|
||||||||||
(China (Mainland))









